森霸傳感SPG-EA32-EF紅外熱釋電氣體傳感器可以通過其內部電荷的變化來測量六氟化硫氣體組分濃度。產品由 TO-39金屬管殼封裝而成,使用兩個獨立窗口,分別裝有參考濾波器和針對六氟化硫氣體選擇的窄帶通濾波器,內部集成FET等電子元件,具有高可靠性、高靈敏度等優點。森霸SPG-EA32-EF產品廣泛應用于室內空氣質量監測、工業氣體泄漏檢測及中央通風系統控制等領域。
TO-39 封裝
高靈敏度
快速響應時間
補償型
3.95μm、10.6μm 窄帶濾光片
| 參數 | Min | Typ. | Max. | units | 測試條件 |
| 窗口尺寸 | 2-2.4*2.7 | mm2 | |||
| 靈敏區域 | 1.8*1.8 | mm2 | |||
| 電源電壓 | 2 | 15 | V | ||
| 源極電壓 | 0.4 | 0.6 | 1 | V | Blackbody=500K,1Hz@25℃ |
| 噪聲電壓 | 300 | nV/Hz1/2 | Temp=25℃ | ||
| 比探測率 | 6.8E07 | cm Hz1/2/W | Blackbody=500K,10Hz@25℃ | ||
| 電壓響應率 | 400 | 490 | V/w | Blackbody=500K,1Hz@25℃ with filter/window |
| 環境要求 | |
| 工作溫度 | -30℃~+85℃ |
| 儲存溫度 | -30℃~+100℃ |
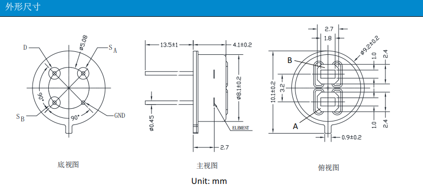
森霸SPG-EA32-EF外形尺寸圖:
